LED mit Fade-In und Out Effekt
Moderator: T.Hoffmann
Hallo Gemeinde, ich möchte mich hier mal dranhängen. Ich möchte eine Schaltung realisieren, die mir eine beliebige, gerne von Euch auszuwählende warmweiße LED ansteuert wie folgt:
Einschalten, d.h. 12V vorhanden, Fade-In von 2 sec
Dimmen auf 50% Helligkeit über zusätzlichen Schaltkontakt
Ausschalten, Fade-Out von 2 sec.
Kann ich die hier besprochenen Schaltung verändern?
Anwendung: Tagfahrlicht/Standlicht Kfz
Danke.
Einschalten, d.h. 12V vorhanden, Fade-In von 2 sec
Dimmen auf 50% Helligkeit über zusätzlichen Schaltkontakt
Ausschalten, Fade-Out von 2 sec.
Kann ich die hier besprochenen Schaltung verändern?
Anwendung: Tagfahrlicht/Standlicht Kfz
Danke.
Mit welchen LEDs?gerne auch im Eingangsbereich bei mir einsetzen
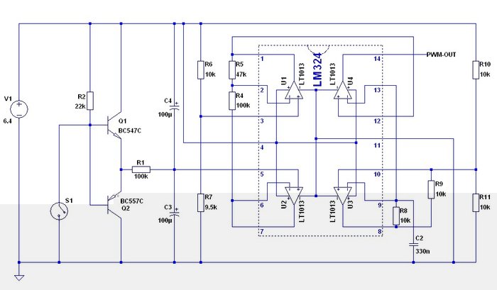
Diese Schaltung ist rein analog und daher muss sie exakt auf die LEDs und die Betriebsspannung abgestimmt werden. Ich habe zwar inzwischen auch eine andere Schaltung mit PWM Steuerung entwickelt an der prinzipiell beliebige LEDs angeschlossen werden können (wegen PWM ist diese Schaltung lastunabhängig) aber sie ist auch wesentlich komplizierter (Quad OP LM324, ca. 10 Widerstände, Kondensator + Mosfet).
Später. Ich habe die (von mir aufgebaute und getestete) Schaltung gerade nicht zur Hand.Hast Du einen Schaltplan und eine Stückliste?
Als Bewegungsmelder könntest Du den von Pollin nehmen: http://www.pollin.de/shop/dt/NDg0ODY0OT ... elder.html
Siehe auch diesen Thread: viewtopic.php?f=34&t=12432&p=144670
Da stehen auch schon so einige Anmerkungen bzgl. 'Fade-Verhalten' (Totzeit, Erholungszeit, Ruhestrom)...
Beispielschaltung (mit 3 LEDs - nur 2 sind bei 12V Betriebsspannung 'schade um den Strom'): Wie oben schon gesagt, diese Schaltung ist rein analog. Die angegebenen Widerstände sind nur als Richtwerte zu verstehen. Kann durchaus sein, dass man die um +/- 20% ändern muss, um ein gutes Ergebnis zu bekommen. Wie man den Schalter S1 über den Bewegungsmelder ansteuert hängt vom Bewegungsmelder (respektive dessen Ausgang) ab.
Hier noch der erwähnte Schaltplan für den PWM Fader:
Nicht über die Betriebsspannung wundern (Nokia Handy Netzteil). Sollte aber mit 12V genauso laufen. An den PWM Ausgang kann eine KSQ mit PWM Eingang angeschlossen werden. Oder eine einfache 2-Transistor-KSQ. Bei meinem Testaufbau hatte ich nur ein Oszi angeschlossen um den PWM Verlauf zu verfolgen. Wenn man R1 auf 1MOhm vergrößert und die Kondensatoren auf 1000µF dann dauert das rauf/runter faden je etwa 45 Minuten. Kann somit auch als Sonnenaufgang verwendet werden.


